PRODUCT CENTER / 产品中心
高速度/高负荷/高刚性/高精度
厂家直销·品质保障
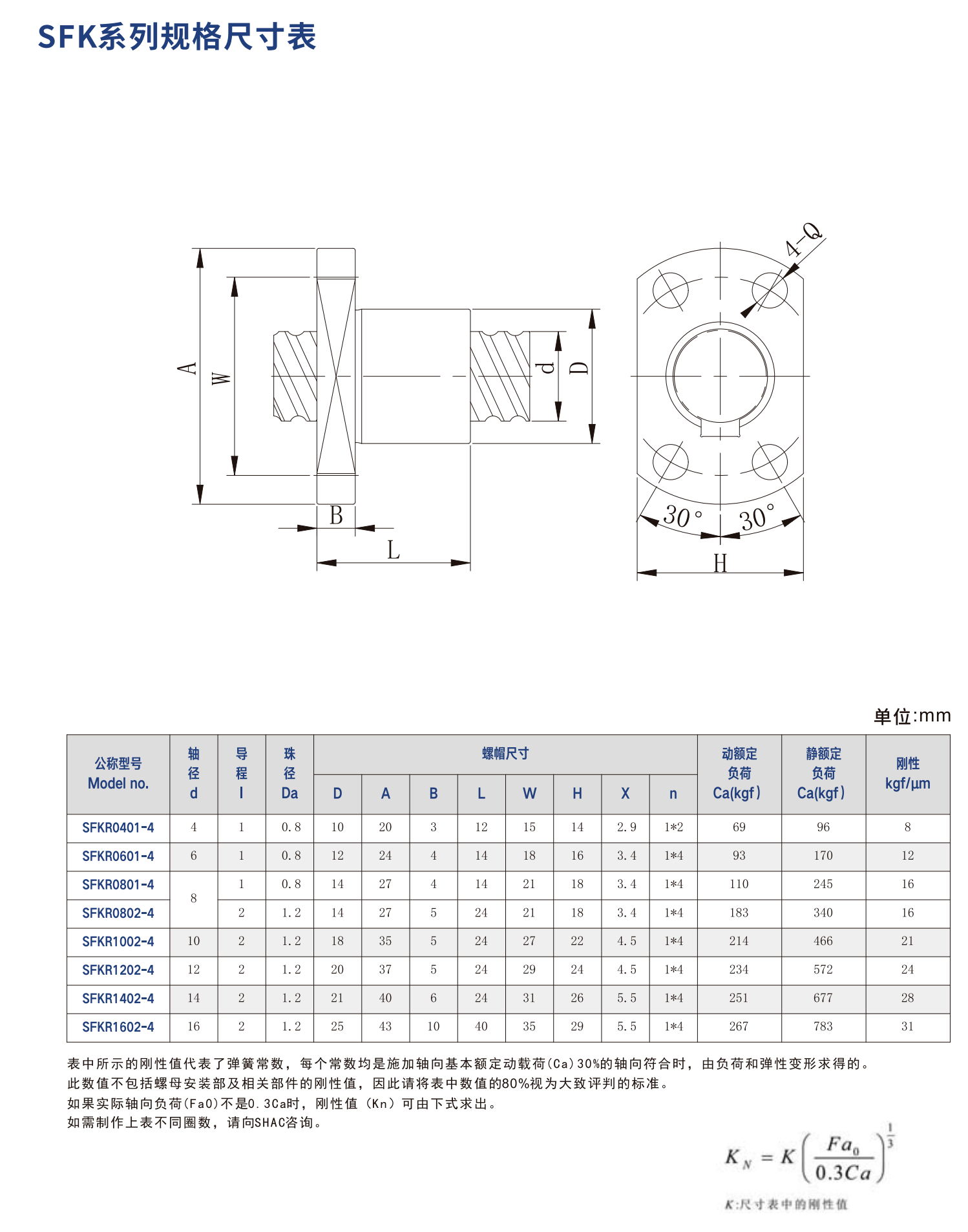
鼎翰滚珠丝杠SFK系列
产品特点: 滚珠丝杠通过钢球在丝杆与螺母之间作无限滚动循环,螺母只需克服极小的摩擦阻力就能在丝杆上做高精度直线运动,是一种将旋转运动转化为直线运动,或将直线运动转化为旋转运动的效率高精度高的传动部件。和传统滑动丝杠副相比,在大大提高精度、速度、可靠性的同时大幅度降低滚道接触面的磨损和运行噪音。是各种数控机床、光学机械、精密仪器等自动化设备中不可或缺的重要功能部件。
- 15166681888
- 产品详情
鼎翰滚珠丝杠SFK系列产品特性:
1.高效率
由于采用滚珠作为传动介质,滚动摩擦阻力要比滑动摩擦阻力小得多,更低的运行阻力意味着更少的能量损耗,从而有着更高的传动效率,与传统的滑动丝杠副相比驱动力矩只需1/3以下,即达到同样运动结果所需的动力为使用滑动丝杠副的1/3。
2.高精度
鼎翰的丝杠和螺母都在恒温车间内进行精密加工、装配和检验,对温度、湿度进行了严格的控制,以保证高精度的品质。丝杆的导程精度是滚珠丝杠的重要性能指标之一,丝杆的导程精度直接影响整个传动系统的运行精度。
3.可逆性
由于丝杆、螺母、钢球之间是点接触的滚动运动,传动效率高达90%以上,因此可以轻易将旋转运动转化为直线运动,或将直线运动转化为旋转运动,具备可逆性。
4.零背隙
SHAC滚珠丝杠采用歌德式滚道,钢球与滚道之间的45°接触角,调换合适大小的钢球就能消除轴向间隙,达到更高的运行精度。
5.耐久性
为了确保滚珠丝杠能有足够的耐久性,鼎翰在设计、材质、热处理等方面都有严格的品质把控,采用高品质合金钢材加上科学的热处理工艺,让钢材有更好的机械性能,让产品有更优异的耐久性。




