PRODUCT CENTER / 产品中心
高速度/高负荷/高刚性/高精度
厂家直销·品质保障
鼎翰精密线性模组KK60系列
产品特点 精密线性模组是将滚珠丝杆与直线导轨巧妙结合,集两者的优点于一体。创新的U型轨道设计,利用先进有限元素法进行结构应力分析,使U型轨道具有高刚性的优化断面。两列歌德式滚道45°接触角的设计,不仅运行精度高更具备四方向等负荷能力。高度集成化的设计,在节省空间的同时,也让客户的安装工作变得异常简单,免去了复杂的调试过程。
- 15166681888
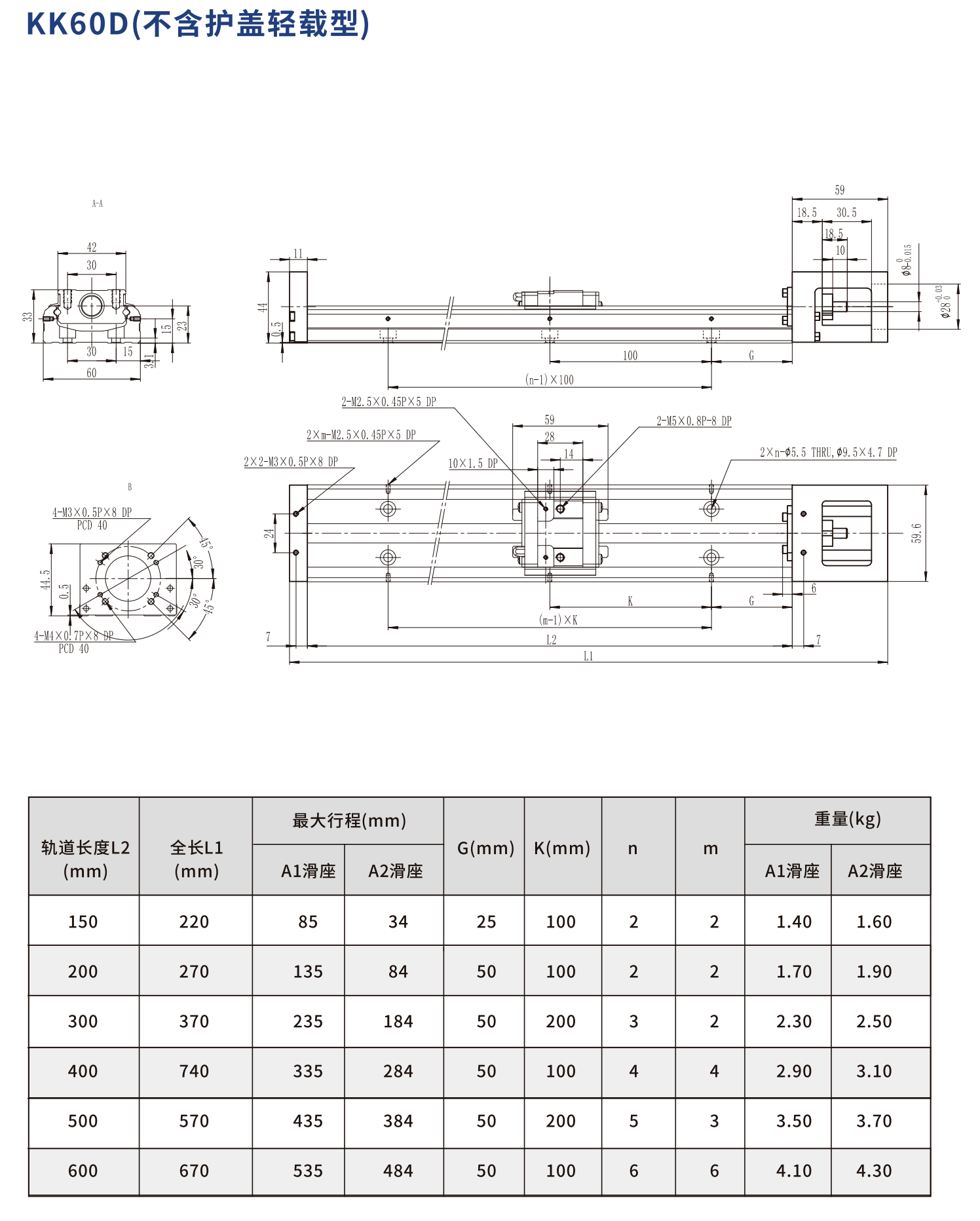
鼎翰SHAC直线导轨线性模组
- 产品详情










